Zestaw podtynkowy WC 7w1 Stelaż Miska WC Deska wolnoopadająca Przycisk ONAT
e-lazienka.com
Zestaw podtynkowy WC 7w1 to nowoczesne i kompletne rozwiązanie do funkcjonalnych oraz estetycznych łazienek. W zestawie znajduje się oryginalny stelaż Geberit UP100, miska WC ARBO PRIMO SLIM Rimless, deska wolnoopadająca oraz wszystkie elementy niezbędne do montażu. Dzięki instalacji podtynkowej łazienka zyskuje minimalistyczny wygląd, więcej przestrzeni oraz wygodę codziennego użytkowania.
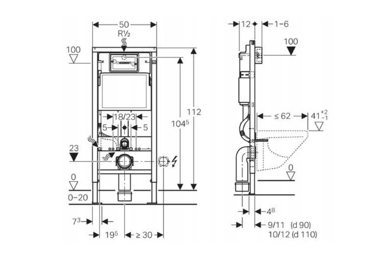
Podstawą zestawu jest stelaż podtynkowy Geberit UP100, ceniony za trwałość i niezawodność. Samonośna stalowa konstrukcja malowana proszkowo zapewnia stabilność oraz wytrzymałość do 400 kg, a regulowane nogi w zakresie 0–20 cm umożliwiają dopasowanie wysokości montażu do warunków instalacyjnych. Spłuczka wyposażona jest w dwudzielny system spłukiwania, który pozwala ograniczyć zużycie wody, a także w izolację przeciwroszeniową, chroniącą przed skraplaniem wilgoci. System umożliwia regulację ilości wody, natychmiastowe ponowne spłukiwanieoraz podłączenie wody od góry lub z tyłu, co zwiększa elastyczność instalacji.
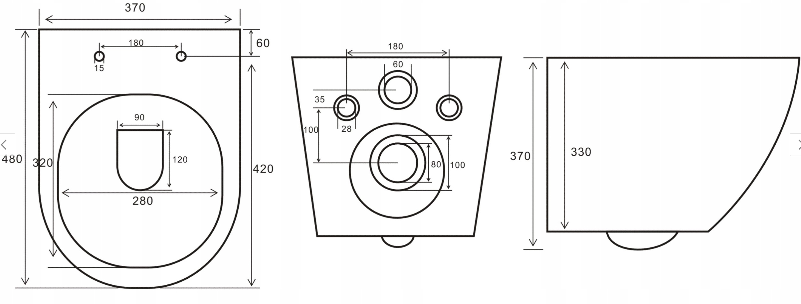
W zestawie znajduje się miska WC ARBO PRIMO SLIM wykonana z wysokiej jakości ceramiki sanitarnej. Bezkołnierzowa konstrukcja Rimless eliminuje miejsca gromadzenia się zabrudzeń i bakterii, co znacząco podnosi poziom higieny i ułatwia czyszczenie. Do kompletu dołączona jest deska sedesowa wolnoopadająca z funkcją szybkiego wypinania, która zapewnia ciche zamykanie i łatwe utrzymanie czystości. Całość uzupełnia przycisk spłukujący Geberit ARBO w kolorze białym, który nadaje zestawowi nowoczesny i uniwersalny charakter.
Zestaw zawiera również wszystkie elementy montażowe, w tym matę wygłuszającą, zestaw przyłączeniowy z rurą spłukującą, kolankiem odpływowym i uszczelkami oraz śruby, wsporniki i zaślepki, dzięki czemu instalacja jest szybka i wygodna. System przeznaczony jest do montażu w ścianie murowanej lub zabudowie z płyt gipsowo-kartonowych i kompatybilny z miskami WC wiszącymi o rozstawie 18 cm lub 23 cm oraz przyciskami Geberit Delta.
| Wysokość stelaża | 112 cm |
| Szerokość stelaża | 50 cm |
| Szerokość miski | 37 cm |
| Głębokość miski | 48 cm |
| Informacje dodatkowe |
bez kołnierza |
